E:\hiwi\temp>java TestZwei 2-1 3-5-4-4-5
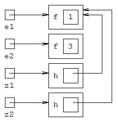
Eins e1 = new Eins(1), e2;
Zwei z1 = new Zwei(e1), z2;

System.out.print (Eins.g + "-");
System.out.println(z1.h.f);
folgende Ausgabe:
2-1
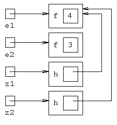
e2 = (Eins) e1.clone();
z2 = (Zwei) z1.clone();

e1.f = 4;
haben wir:

Eins.g = 5;
Die restlichen Zeilen
System.out.print (e2.f + "-");
System.out.print (e2.g + "-");
System.out.print (z1.h.f + "-");
System.out.print (z2.h.f + "-");
System.out.println(z2.h.g);
ergeben dann folgende Ausgabe:
3-5-4-4-5